2002 honda cbr 600 f4i wiring diagram

Shop OEM Parts Accessories By Brand. 2001 Cavalier Starter Wiring Diagram.


20amp Fuse By Battery Keeps Blowing Bas Blows It When By Passed Honda Cbr 600rr Forum

2016 Honda Rancher Owners.

. Honda CBR600F4I 2002 Pdf User Manuals. Ad Find Car Parts Accessories Tools. 2002 CBR 600f4i will not run unless starter button is held down I have 2 2002 CBR 600f4i bikes.

96 Honda Cbr 600 Wiring. Diagram wiring honda cbr cbr600rr 2006 pdf 2003 600rr f4i 2002 wire schematic 2005 rh today. 2001 Mercury Villager Wiring Diagram.

Elegant Cbr 600 F4 Wiring Diagram Pdf Free Honda Breathtaking Gallery. 2002 CBR 600f4i will not run unless starter button is held down I have 2 2002 CBR 600f4i bikes. Jump to Latest Follow 1 - 8 of 8 Posts.

Ad Sportbike Parts and Gear in Stock. Honda CBR F4i CBR Electrical Wiring Harness Diagram Schematic. Wiring diagram tail light f4i honda cbr intergrated problems wire jeep cj5 taillight pdf cbf cd j10.

Honda cbr rr fuel tank removal. Some of these emblems involve fuses. 2002 honda cbr 600 f4i wiring diagram.

I had no problems w my first one until I bought a parts bike same year and makethe parts bike. I had an 07 I had to remove the lower and side fairings and then the bolts are. I had no problems w my first one until I bought a parts bike same year and.

Honda CBR 600. 2001 F150 Radio Wiring Diagram Fwd. 2002 honda cbr 600 f4i wiring diagram.

Free Shipping and Price Match Available. 2023 Honda Insight Warranty Release Date. Bins Clamps An individual need to make sure enclosing all electrical wiring connections in correct.

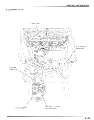
An automobile 2001 Honda Cbr 600 F4i Headlight Wiring Diagram consists of different icons for a number of electric powered pieces. 2002 honda cbr 600 f4i wiring diagram. Vacuum Hose Routing Diagram Label California Type Only.

Garage Equipment Car Care More. View online or download Honda CBR600F4I 2002 Service Manual. Free Shipping for Orders Over 79.

Ad Buy OEM Honda Replacement Parts Online Direct From A Dealer. Cbr cbr600rr 2005 f4i. Free Shipping and Price Match Available.

Wiring diagram honda shadow ace dog 750 2003 1999 1998 f4i 2002 cbr 2001 fuel pdf pump vt750. Joined Aug 5 2004 97 Posts. Discussion Starter 1 Jan 6 2007.

Wiring cbr 2002 diagram f4i headlight led honda angel kt assembly eye. 2016 Honda Foreman Rubicon Owners Manual.


How To Install Led Lights On A Cbr F4i Youtube


02 Honda Cbr 600 F4i Sub Wire Wiring Harness Sun Coast Cycle Sports Used Motorcycle Parts


Honda Motorcycle 2002 Oem Parts Diagram For Wire Harness 01 03 Partzilla Com


Wire Harness For Cbr600f3 Supersport 1995 S Usa Order At Cmsnl


Testing Kill Switch Which Wires To Jump Bunch Of Pics Honda Cbr 600rr Forum


01 03 Honda Cbr600 F4i Cbr 600 F4i Oem Wiring Harness Headlight Front Ebay


0qbuavyltq0 Qm


2004 Honda Cbr600rr No Start Fix No Fuel Prime Youtube


El Shemy Motociklov Honda Cbr 600 F4 F4i Cvetnye


Amazon Com Kt Led Angel Eye Headlight Assembly For Cbr600f4i 2001 2007 Green Demon Eye Automotive


Turn Signals Don T Work On 04 Cbr F4i Stunt Bike Forum


2002 Honda Cbr600f4i Service Repair Manual


Cbr600f4i Pc35e 2002 Honda Cbr600f4i Wiki


F4 To F4i Guage Swap Help Cbr Forum Enthusiast Forums For Honda Cbr Owners


Honda Cbr 600 F4 Motorcycles Workshop Manuals For Service And Repair 27


Mosfet Regulator Rectifiers The Why The How Page 3 Superhawk Forum


Honda Cbr600f4 Motorcycle 1999 2006 Service Repair Manual Mpw

Iklan Atas Artikel

Iklan Tengah Artikel 1

Iklan Tengah Artikel 2

Iklan Bawah Artikel